技术参数
● 可以测量所有的照射野尺寸,最大达到 40cm×40cm;
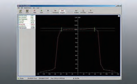
● 沿着主轴或者对角线测量高分辨率(3mm) 的剂量辐射剖面曲线图;
● 进行开机检测功能;
● 配合专业模体一起检查光野照射野一致性,射线质量等属性。
电话:010-58256617 传真:010-58257264 邮箱:sales@uwemzs.com 地址:北京市东城区北三环东路36号环球贸易中心A座1107-1109室
咨询热线010-58256617